您好,欢迎访问Henan Qianyuan Filtration Equipment Co., LTD官网!
中文版
English
-
热推信息
-
网站地图
为您提供专业、适合、具有营销价值的网络推广服务
助力企业提升在互联网上的影响力
24小时咨询热线:
0398-2237199
网站首页
About
Profile
Honor
Product
Sleeve cylinder series melt filter
Self-sealing series melt filter
Interference free metering pump insulation melt filter
Other melt filtration devices
Main Filter Accessories Filter accessories
News
Dynamic
Industry
Case
Service
Contact
当前位置:
首页
>
Product
>
Other melt filtration devices
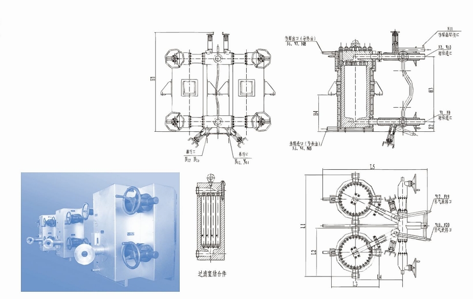
Q/PF2J polymer melt filter ismainly used
上一篇:
Q/PF4 type two-stage melt filter
下一篇:
没有了!
网站首页
About
Product
News
Case
Service
Contact
Copyright © Henan Qianyuan Filtration Equipment Co., LTD 网站版权注册,仿冒必究!
豫公网安备号